摘要:為保證機組安全、經濟運行,提高調節品質,采用DCS對電廠自動控制回路進行優化是目前電力行業發展的趨勢。本文主要介紹了UW500分散控制系統的結構和特點,及其在山西七一華富生物質2*15MW機組上的應用實踐。重點針對了部分控制回路的控制策略做了詳細的闡述。
一. 概述
由上海電氣總包承建的山西七一華富生物發電有限公司2×15MW秸稈發電項目,是山西省新能源重點工程。七一華富生物發電有限公司廠址位于山西省長治市襄垣縣虒亭鎮史家嶺村,工程建設2×15MW機組。
該機組自2014年DCS系統成功改造投運以來,機組及系統運行安全穩定;運行操作方便快捷,報警聯鎖及時可靠;自動回路都成功投運,取得了很好的調節效果,全面保證了機組的安全、經濟運行。
二. UW500 DCS控制系統簡介
UW500 控制系統采用新型的DCS體系結構,突破了傳統控制系統的層次模型,實現了多種總線兼容和異構系統綜合集成的“網絡化控制系統”。UW500是由上海電氣、浙江大學、杭州優穩自動化系統有限公司等單位經過多年的產學研聯合攻關研發的新一代分散控制系統產品。它使工業自動化系統真正實現了網絡化、智能化、數字化,突破了傳統DCS、PLC等控制系統的概念和功能,也使企業內過程控制、設備管理得到合理的統一。UW500控制系統結構如下圖1所示。
圖1 UW600 控制系統結構圖
系統的主要特點有:
(1)開放性UW500分散控制系統軟件具有良好的開放性能,融合了各種標準化的軟、硬件接口,設計靈活、應用性強,能夠滿足電力系統安全生產的需要,同時系統應用軟件能夠方便的嵌入現場總線設備與第三方集散控制系統,即滿足用戶的操作要求,又便于維護和使用。
(2)兼容性符合現場總線標準的數字信號和傳統的模擬信號在系統中并存。使企業現行的工業自動化方案和現場總線技術的實施變得簡單易行。
(3)安全性系統安全性和抗干擾性符合工業使用環境下的各類國際標準。
(4)故障診斷具有模件、通道以及變送器或傳感器故障診斷功能,智能化程度高,輕松排除斷線等故障。
(5)遠程服務能夠通過遠程通信媒體實現遠程監控、故障診斷、系統維護、操作指導、系統升級等。
(6)實時仿真系統具有離線的實時調試和仿真功能,縮短系統在現場的調試周期并降低了方案實施的風險。
(7)信號精度I/O卡件采用國際上新推出的高精度A/D采樣技術(∑-△A/D,22位精度),先進的信號隔離技術,嚴格測試下的帶電插拔技術,以及多層板和貼片技術。使信號的采集精度更高,卡件的穩定性更好。
(8)控制系統控制組態增加了符合IEC1131-3標準的組態工具FBD、LD、SFC、ST等,使DCS與PLC的控制功能得到統一,實現了局部控制區域內的實時過程信息的共享。
(9)數據管理收集并管理數據、儲存歷史數據并將之傳到公共數據庫,也可以將數據分散到不同的報表中,從而保證過程在一個最佳的狀態運行。
(10)報警采用分布式報警管理系統。可以管理無限報警區域的報警、基于事件的報警、報警優先權、報警過濾以及通過撥號輸入/輸出管理設備的遠程報警。
(11)易于使用操作員站設計的各種功能,運行人員經短期培訓就能全面掌握,操作畫面簡單明了,設置操作提示,對運行操作人員進行了指導性操作,減少了運行人員誤操作可能。工程師站的組態軟件,應用過程中程序化強,便于熱控人員貫通掌握、提高檢修技術水平。
三. 控制系統總體設計方案
3.1 系統概述
在七一華富生物質發電工程項目中,主要為機爐集控部分,涵蓋有DAS(數據采集和處理系統)、SCS(順序控制系統)、MCS(模擬量控制系統)、FSSS(爐膛安全監控系統)、ETS(汽輪機緊急跳閘保護系統)以及R-IO(遠程輸入輸出)和SOE(事件順序記錄系統)[1]。同時將UW600 DCS系統信息網與廠用MIS(信息管理系統)網通過防火墻進行數據傳送,達到了實時監視與管理的目的。
在該項目中有安全門自動保護回路4套,汽包水位保護1套,共計5套自動保護系統,同時在該項目中兩臺單元機組母管制控制方式。
3.2 部分重要控制回路介紹
3.2.1 主汽壓力調節自動控制
項目鍋爐設備額定蒸發量為75/h,額定壓力3.85MPa。鍋爐為單爐膛∏型布置、固態排渣方式。它設置有雙鏈條式,其固態黃桿秸稈為燃料,過熱器調節采用一級噴水減溫方式[1]。自動控制涉及的主要參數如表1所示。
表1自動控制涉及的主要參數表
|
項目 |
參數 |
|
額定蒸發量 |
75 t/h |
|
額定蒸汽壓力 |
5.3 MPa |
|
額定蒸汽溫度 |
485℃ |
|
給水溫度 |
110℃ |
|
鍋爐本體 |
1183㎡ |
主蒸汽壓力自動調節系統是鍋爐主要的自動調節系統之一,它通過燃燒控制系統直接承擔著鍋爐負荷調整任務,它的投用及調節效果的好壞,將直接影響鍋爐汽包水位,主汽溫等參數的調節。鍋爐燃燒主蒸汽壓力自動調節系統是以反映鍋爐熱量供求平衡的主汽壓力信號作為控制參數,通過改變鍋爐燃燒量與配風量來改變鍋爐的燃燒狀況。根據主汽壓力參數高、低,調整鍋爐給料機轉速以改變燃料量,從而實現主汽壓力參數的校正。
在鍋爐的燃料調節系統中,采用“熱量-燃料”調節方式,熱量信號由蒸汽信號和汽包壓力的微分所組成,是一種間接測量燃料量的方法。
主蒸汽壓力調節系統的控制參數的整定主要體現在鍋爐熱量信號的改變上。當鍋爐燃燒狀況改變時,鍋爐熱量信號也會相應的發生變化。而當鍋爐主蒸汽流量改變時,只要進入爐膛的燃料量不變化,熱量信號就不應該變化,即鍋爐主蒸汽流量的變化與鍋爐汽壓的變化存在一定的耦合關系。因此整定熱量信號時應該考慮,當存在內擾時,熱量信號相應的發生變化;當存在外擾時,熱量信號不能變化。由DCS實現的鍋爐主蒸汽壓力作為主控制信號,以主蒸汽流量信號作為副調信號的串級控制系統。
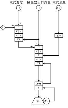
3.2.2 一級減溫水自動控制
主蒸汽溫控制為減溫水控制,其中減溫水為粗調,其減溫水流量為0~20t/h。
鍋爐減溫水兩側主蒸汽溫度控制系統均投入了自動,減溫控制系統的主要任務是保持集汽集箱前后的溫差與鍋爐負荷成一種函數關系。因此一級減溫水控制與二級減溫水控制在主汽溫度控制系統中是必須保持一種相互協調關系。減溫水調節如圖2所示。
其中減溫水控制系統的作用是對主蒸汽溫度以快速消除影響主汽溫度較大的擾動(比如鏈條秸稈不均勻、秸稈熱量不夠等)[1]。如果減溫水控制不投入自動,當較大的主汽溫度擾動出現時,那么只能由操作工根據運行經驗調整一級減溫水給水量。這不但使操作工增加了操作強度,而且增加了人工干預減溫水而出現的主汽溫度擾動,更加不利于主汽溫的穩定。減溫水投入自動后可以直接起到保護屏式過熱器并保證其溫度的穩定。
圖2 減溫水調節圖
減溫水自動調節系統是以屏后集汽集箱汽溫為主調信號,以減溫器出口汽溫為副調信號的串級調節系統。在正常狀態下,該系統自動投入的最大障礙是屏式過熱器溫度的大滯后。從減溫水控制閥動作到屏后混箱汽溫反應,滯后的時間有近20秒時間,因此由屏后混箱汽溫變化信號使調節系統動作,很容易產生過調的現象。
鍋爐運行工況對主蒸汽溫度的影響很大,當制粉系統工作狀態變化時,由于二次風的影響,使汽溫的變化存在較大波動,而且在啟、停過程中,主蒸汽溫度的變化也很劇烈。如果僅通過主蒸汽溫度變化的偏差來進行PID調節,不能保證將主蒸汽溫度的變化控制在工藝要求的范圍內。這就要求制粉系統在不同的工況時,一級減溫水的控制必須使一級減溫水保持在相對穩定的值,這樣才能保證主蒸汽溫度的穩定。同時要求在制粉系統的啟、停過程中,減溫水閥門的動作應該超前于汽溫的變化,而這對于常規儀表是難以實現[1]。
為了使一級減溫器汽溫在70%負荷以上各種工況下都能穩定投入自動,特別在制粉系統啟、停工況變化下能自動進行調整,采取了變PID參數的自動控制方案。通過在參數整定過程在不同負荷下進行兩套PID參數整定,在程序中根據不同的負荷對不同的PID參數進行選擇。
3.3 SOE功能、事故追憶功能
UW600系統中SOE模件實現了SOE記錄功能。在發生事故引起一系列開關動作時,以相對時間(相對于記錄的第一個發生跳變點)為計錄內容,將這些動作亦即事件按發生的先后順序記錄下來,以利于事故后的分析。它可以記錄產生間隔最小達1毫秒的開關事件。
UW600系統中采用事故追憶軟件來實現事故發生前后的數據記錄。例如當鍋爐水位大于100mm或小于-100mm時確認水位事故發生,電氣主站一次回路事故,風機故障事故。發生這些事故時要啟動事故追憶,將事故發生前后的相關記錄數據顯示或打印輸出。事故發生前的相關記錄數據記錄間隔時間為1ms,事故發生后相關記錄數據記錄時間間隔為1ms。事故追憶數據可選擇列表或是曲線的查詢方式,為鍋爐滅火、水位超限、汽機跳閘等重大事故的原因分析提供了準確、實時的第一手數據資料。
3.4 母管制燃燒控制負荷分配方案
本次項目為兩臺單元機組,使用的母管制的控制方式[2],針對生物質發電的特點,我方做出方案設計的思路是保證鍋爐在最經濟工況下運行,以能量平衡燃燒控制算法為基礎,對每臺正運行的鍋爐進行合理負荷分配。具體方法是:
第一步,將正在運行的鍋爐分成兩類,一類為帶額定負荷的鍋爐,一類為參與調峰的鍋爐。
第二步,將母管壓力信號轉化為流量需求信號,轉化方法在燃燒控制算法中已經做了詳細說明。
第三步,將流量需求信號首先分配給帶額定負荷的鍋爐,讓其在最經濟條件下運行,然后將余下的流量分配給參與調峰的鍋爐。
第四步,每臺鍋爐根據分配來的流量負荷計算出當前鍋爐的給料量,計算方法燃燒控制算法中已經做了詳細說明。
在投運結果表明熱用戶負荷變化不大(不超過20%)時可以將全廠的負荷合理的分配到單臺鍋爐,將母管壓力控制在要求范圍內,此負荷分配方案是可行有效的。
3.5 MCS基本方案
MCS由以下主要調節子系統[2]:
(1)給水調節
汽包水位調節采用分程調節,啟動時用小閥調節(單沖量),當汽機系統正常運行時用主給水閥調節(三沖量)。
給水調節如圖3所示。
圖3 給水調節圖 圖4 主汽溫度調節圖
(2)主汽溫度調節(減溫水調節)
循環流化床鍋爐正常運行時不僅要求主汽壓力穩定,而且要求主汽溫度穩定。主汽溫度是反映機組運行情況的一個重要參數。如果主汽溫度偏高,過熱器及汽機將在更加惡劣的環境下運行,材料的使用壽命將會縮短。相反,如果主汽溫度偏低,則汽機達不到預定的運行效率。因此,機組正常運行時要求主汽溫度穩定。
主汽溫度調節采用串級控制方式,取噴水后汽溫為導前信號,主汽溫度為設定值,若鍋爐的負荷增加,主汽溫度降低不能調整至設定值時,需啟動燃燒調節回路。
主汽溫度調節如圖4所示。
(3)送風量調節(煙氣氧量調節)
主汽壓力控制系統發出的風量指令即為總風量指令。總風量中一、二次風所占比例最大,同時一次風和二次風直接影響鍋爐的運行及燃燒工況。所以,總風量調節系統通過改變一、二次風量的調節指令來保證鍋爐所需配風。鍋爐主控系統得到的總風量指令與燃料量測量值進行交叉限制后作為總風量控制系統的給定值,以保證負荷增加時先加風后加燃料、負荷減小時先減燃料后減風的要求,從而保證一定的過??諝庀禂怠?傦L量控制系統的給定值在PID中與總風量測量值進行運算,運算結果經過函數處理后送往風道燃燒器點火風調節系統、一次風調節系統及二次風調節系統。
總風量調節系統如圖5所示。
圖5 總風量調節系統圖 圖6 引風量調節圖
(4)引風量調節(爐膛負壓調節)
通過調節引風機擋板,使爐膛壓力穩定在設定值上。引風量調節系統設有前饋,把一次風量和二次風量之和作為前饋信號加到PID調節的輸出,以提高一、二次風量變化時,引風量調節系統的響應速度。
引風量調節如圖6所示。
(5)主汽壓力控制系統
循環流化床鍋爐和煤粉鍋爐一樣,維持主汽壓力恒定都是最基本的控制要求。汽輪機或熱用戶的蒸汽用量發生變化時,主汽壓力就會產生波動。此時為了維持主汽壓力恒定,必須改變進入鍋爐的燃料量和助燃空氣量。無論是單元制機組還是母管制機組,都要從能量平衡的角度來構造鍋爐主控系統,即由燃料加入量維持主汽壓力恒定。
當機組按單元制運行時,采用主汽壓力控制系統進行鍋爐主控。在主汽壓力控制系統中,通過調節入爐燃料量來控制主蒸汽壓力,以滿足機組的運行要求。由于入爐燃料量是影響床溫的重要因素之一,故在構造主汽壓力控制方案時把床溫的影響也納入控制方案中。床溫增加減小燃料量,床溫降低則增大燃料量。由于循環流化床鍋爐運行時床溫可以在一定范圍內波動,故在上述控制方案中設置了不調溫死區,即床溫在該死區內時不改變燃料供給量。由于主蒸汽流量變化直接反映了機組的負荷變化,故在上述控制方案中把主蒸汽流量信號經過函數運算后直接加到控制輸出上,通過前饋形式提高系統的響應速度。
主汽壓力控制系統得到的燃料量指令和風量指令,分別送往燃料量控制系統和風量控制系統。
主汽壓力控制系統如圖7所示。
圖7 主汽壓力控制系統圖
四. 實驗結果分析
UW500分散控制系統在30MW機組上的應用,主要包括主汽壓力自動控制回路的投運,減溫水控制的自動投運,經過七一華富生物質發電工程項目的實際運行,控制系統得到的主汽壓力和主汽溫度的實際數據如表2所示。
表2控制系統運行得到的實際數據表
|
序號 |
時間 |
主蒸汽溫度/ ℃ |
主蒸汽壓力/ MPa |
主蒸汽流量/ t/h |
功率/ MW |
頻率/ HZ |
|
1 |
9:00 |
451 |
3.82 |
78 |
14.8 |
50 |
|
2 |
10:00 |
452 |
3.81 |
77 |
14.7 |
50 |
|
3 |
11:00 |
451 |
3.81 |
77 |
14.9 |
50 |
|
4 |
12:00 |
452 |
3.82 |
75 |
14.8 |
50 |
|
5 |
13:00 |
450 |
3.81 |
75 |
14.8 |
50 |
|
6 |
14:00 |
450 |
3.82 |
78 |
14.7 |
50 |
|
7 |
15:00 |
451 |
3.81 |
78 |
14.8 |
50 |
|
8 |
16:00 |
452 |
3.82 |
78 |
15.0 |
50 |
|
9 |
17:00 |
453 |
3.82 |
78 |
14.9 |
50 |
|
10 |
18:00 |
455 |
3.82 |
77 |
14.8 |
50 |
|
11 |
19:00 |
452 |
3.81 |
78 |
14.8 |
50 |
五. 總結
通過此UW500分散控制系統在30MW機組上得到成功的應用。其中主汽壓力自動控制回路的投運,減溫水控制的自動投運起到了很好的控制效果,主汽壓力在±0.2MPa范圍波動,主汽溫度在±4℃范圍內波動,提高了機組整體自動化水平。





